Dieses schöne Radio mit seiner modernen Formgebung gehört zum Adlershofer Requisitenfundus. Das linke Bild zeigt das Chassis im ausgebauten Zustand. Ein Teil der Röhren fehlte. Ziel war das Gerät wieder in einen empfangsbereiten Zustand zu versetzen. Nach einer Grundreinigung und der Beschaffung der fehlenden Röhren konnten die einzelnen Röhrenstufen einer Prüfung unterzogen werden. Zuerst das Netzteil. Nach Austausch der Netzanschlußschnur nahm ich das Gerät über einen Trennregeltrafo in Betrieb. Die Netzspannung dabei langsam bei 150V beginnend auf 230V hochgeregelt. Lade- und Siebkondensator (noch original) erwiesen sich als spannungsfest und hatten einen Reststrom von unter 3mA rückläufig. Der "Grundbrumm" im Lautsprecher erschien mir normal.
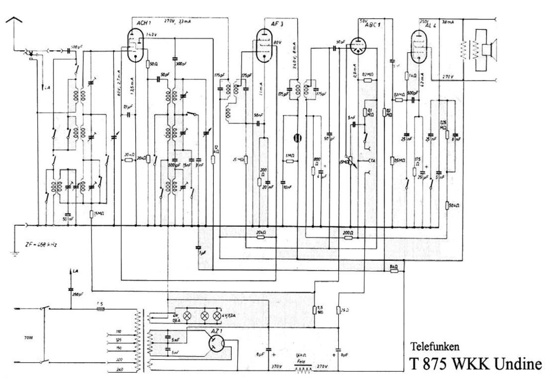
Dieses Radio wurde in den Jahren 1938/39 bei Telefunken Deutschland hergestellt. Es verfügt über einen Mittelwellenbereich und zwei Kurzwellenbereiche.
MW: 535 - 1565 kHz
KW I: 42m - 13m; 7,14 - 23MHz KW II: 130m - 40m; 2,3 - 7,5MHz
Die ZF ist 468 kHz.






