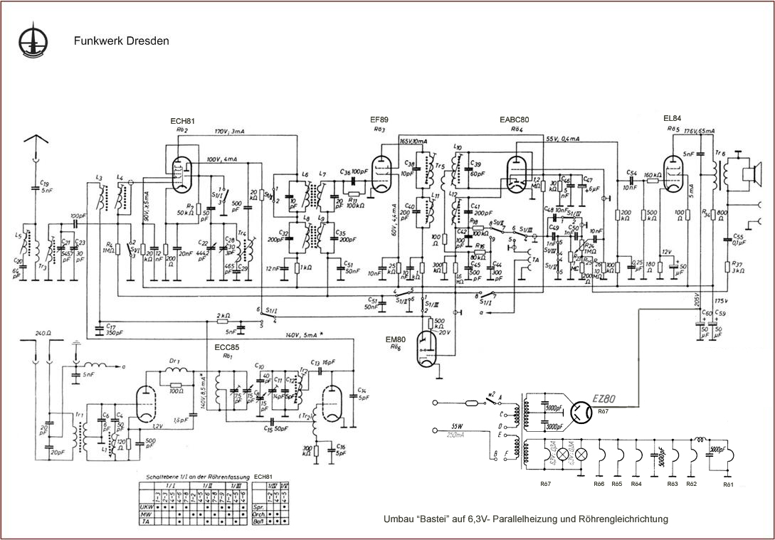
Dieses formschöne Gerät wurde im VEB Funkwerk Dresden zwischen 1956 und 1958 gefertigt. Die Empfangsbereiche sind UKW und Mittelwelle. Mein Gerät erfuhr leider einen Umbau zum Wechselstromgerät. D.h. Einbau eines Netztrafos, Zweiweggleichrichtung mit EZ80, 6,3V Parallelheizung, Tausch der U-Röhren gegen E-Röhren. Der Originalzustand ist leider verloren aber die galvanische Trennung ist eben auch nicht schlecht.
Alle teerverkappten Kondensatoren wurden nicht generell gewechselt. Wenn die Kapazität noch vorhanden und die Spannungsfestigkeit gegeben war, dann blieben sie erhalten. Elko´s im Papprohr erhielten eine Verjüngungskur, indem das alte Innenleben entfernt und gegen eine moderne Bauform ersetzt wurde. Danach erfolgte wieder eine beidseitige Teerverkappung.


Eine Übersicht der im Funkwerk Dresden gefertigten Rundfunkempfänger findet der Interessent auf dieser Seite:
www.oldtimeradio.de/radios.dresden.php
Eine sehr detailierte Darstellung des Fertigungsprofils findet der Interessierte in einer Veröffentlichung der Arbeitsgruppe Meßelektronik in den Technischen Sammlungen Dresden:MKD-Anlage 5.5.2. - Rundfunkindustrie in Dresden/Funkwerk Dresden














